panneau d'affichage AMOLED de 2,4 pouces avec tactile ONCELL 450x600 ICNA3312 interface MIPI SPI MCU affichage AMOLED couleur complet
- Aperçu
- Produits recommandés
Taille de l'écran (pouces) 2,4
Mode d'affichage AMOLED
Méthode d'affichage Matrice active TFT
Résolution (points) 450 (W) x 600 (H)
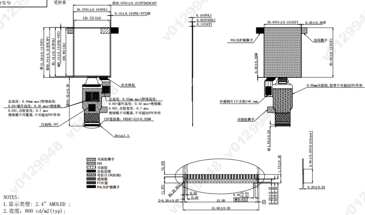
Zone active (mm) 36,72 (H) x 48,96 (V)
PPI 311
Configuration des pixels V-style3
Type de technologie LTPS
Avec TP/Sans TP Avec TP (avec TP-FPC)
Dimensions extérieures du panneau (L x
H x É) (mm) 38,6784*51,56*0,5
Électronique
CI pilote (type) ICNA3312
CI tactile (type) GTW623
Fréquence d'images 60 Hz